El anemómetro es un instrumento usado en la medida de la velocidad del viento. El anemómetro que describimos es muy simple, siendo recomendado para aplicaciones en el laboratorio que involucra energía eólica, o incluso aplicaciones de campo. Con la ayuda de un anemómetro profesional podemos incluso calibrar su escala.

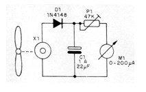
El circuito no es más que un pequeño generador eólico que alimenta un instrumento indicador. Cuando mayor es la velocidad del viento, mayor es la corriente en el indicador. El generador es un pequeño motor de corriente continua con una hélice acoplada. En la figura 1 tenemos el diagrama completo del anemómetro.

 

Figura 1 - Diagrama completo del anemómetro
Figura 1 - Diagrama completo del anemómetro

 

El circuito se puede montar en una matriz de contactos, placa de circuito impreso o puente de terminales. En la figura 2 tenemos una sugerencia de montaje en puente de terminales.

 

Figura 2 - Montaje mediante un puente de terminales
Figura 2 - Montaje mediante un puente de terminales

 

 

El instrumento puede ser un microamperímetro de 50 a 200 uA de fondo de escala del tipo que se puede encontrar en antiguos amplificadores de audio. El motor es de cualquier tipo de corriente continua de 3 a 6 V. P1 ajusta la sensibilidad del instrumento.

Recomendamos el uso de una hélice de aeromodel o incluso si se construye un catavento de plástico acoplado al eje del pequeño motor de corriente continua.

 

 

Lista de material

 

X1 - Motor de corriente continua - ver texto

D1 - 1N4148 - diodo de uso general

C1 - 1 uF a 22 uF x 6 V o más - capacitor electrolítico

P1 - 47k ohms - trimpot

M1 - Microamperímetro de 50 a 200 uA de fondo de escala

Varios: hilos, puente de terminales, soldadura, etc.