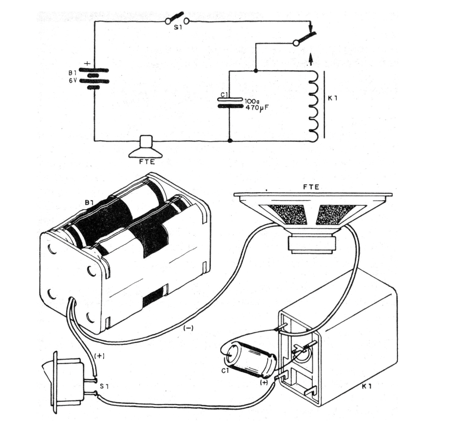
Cuando aprieta el gatillo (S1) y el relé abre y cierra los contactos rápidamente produciendo un ruido similar al de una ametralladora en el altavoz conectado en serie.
La velocidad del efecto depende del condensador y del relé usado, pudiendo el lector hacer experimentos con diversos relés y condensadores. El relé utilizado es de 6 V con corriente de bobina de 50 a 100 mA.
El altavoz puede ser de cualquier tipo, dando preferencia a los tipos pequeños de 2,5 a 5 cm con 4 ó 8 ohms. En la figura tenemos el diagrama y el montaje.
Materales:
K1 – Relé sensible de 5 o 6 V
C1 – 100 a 470 uF x 6 V o más – capacitor electrolítico
FTE – Altavoz de 4 a 8 ohms
S1 – Interruptor de presión
B1 – 4 pilas
Vários_ suporte de pilas, soldadura, etc.




