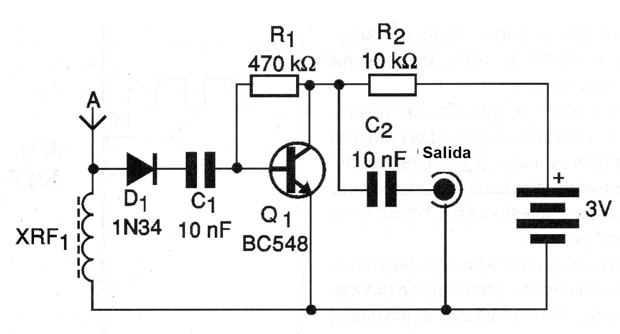
El circuito mostrado en la Figura 1 captura una amplia gama del espectro electromagnético mediante la detección y amplificación de la entrada para su aplicación a un osciloscopio.
Con él es posible utilizar cualquier osciloscopio común como un analizador de EMI de buena eficiencia.
Las señales típicas de circuitos de vía y XRF1 dependerán de unas pocas decenas de kHz a más de 10 MHz.
El choque comercial puede estar sustituido con aproximadamente 200 vueltas de alambre de esmalte delgada (28 a 32 AWG) en una varilla de ferrita.
La antena es nada más que una sola pieza de hilo común de 15 a 40 cm o incluso un tipo telescópico.
El LED debe ser preferiblemente del germanio tipo que tiene una tensión de accionamiento inferior y por lo tanto proporciona una mayor sensibilidad al circuito.
Los tipos como el 1N34 o 1N60 son los recomendados.
Estos diodos se pueden encontrar en radios transistorizados antiguos (de primera generación) que están fuera de uso.
C1 y C2 deben ser capacitores cerámicos y el cable de conexión al osciloscopio debe ser blindado.
La alimentación se puede hacer con dos pilas pequeñas, ya que el consumo de energía del aparato es muy bajo.
En la figura 2 tenemos una sugerencia de placa de circuito impreso para este montaje.
Lista de material
Q1 - BC548 o equivalente - transistores NPN de uso general
D1 - 1N34 o equivalente - diodo de germanio
R1 - 470 k ohms x 1/8 W - resistor - amarillo, violeta, amarillo
R2 - 10 k ohms x 1/8 W - resistor - marrón, negro, naranja
C1, C2 - 10 nF - capacitores cerámicos
XRF1- choque de 470 uH - ver el texto
A - antena - ver texto
B1 - 3 V - 2 pilas pequeñas
Varios:
Placa de circuito impreso, soporte de pilas, caja para montaje, hilos, soldadura, etc.





