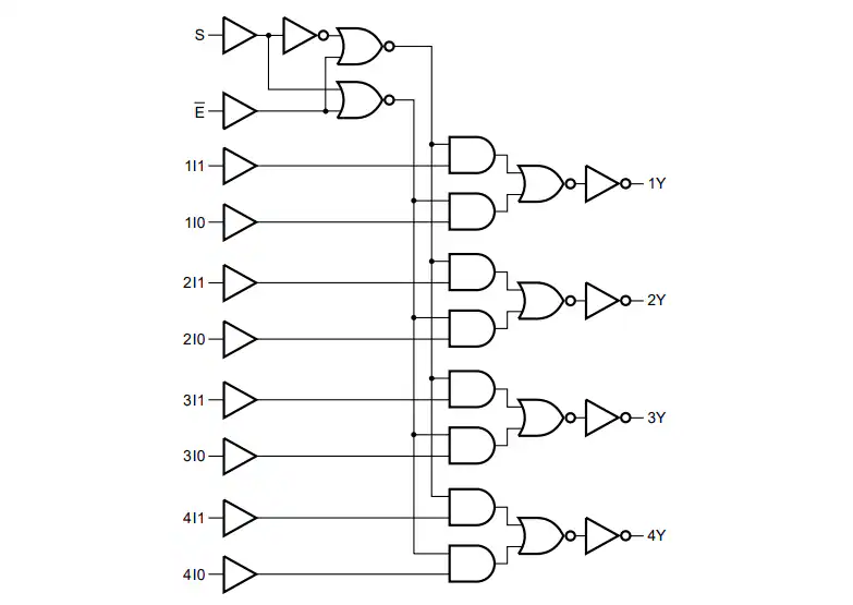
Los multiplexores cuádruples de 2 entradas Nexperia 74LVC157A/74LVC157A-Q100 ofrecen entradas de selección (S) y de habilitación (E). Un valor ALTO en S selecciona la fuente de datos 1 y un valor BAJO selecciona la fuente de datos 0. Un valor ALTO en E fuerza todas las salidas (1Y a 4Y) a BAJO. Las entradas pueden ser controladas por dispositivos de 3,3 V o 5 V. Esta característica permite que los dispositivos 74LVC157A actúen como traductores en aplicaciones mixtas de 3,3 V y 5 V. La acción del disparador Schmitt en todas las entradas tolera los tiempos de subida y bajada de entrada más lentos del circuito. El multiplexor cuádruple de 2 entradas Nexperia 74LVC157A-Q100 cuenta con certificación AEC-Q100 Grado 1 y es apto para temperaturas de -40 °C a +85 °C y de -40 °C a +125 °C. Estos dispositivos son ideales como convertidores en aplicaciones mixtas de 3,3 V y 5 V.




