Para medianas potencias, que llegan a los 40 W PMPO, una solución económica tradicional, que se encuentra en muchos auto-radios y tocadiscos tradicionales en coche, es la que hace uso del circuito integrado TDA2002.
Justamente por ser un componente ampliamente utilizado por el mercado de reposición, además de fácil de encontrar tiene un precio muy asequible.
Este amplificador puede ser alimentado con tensiones de 8 a 18 V y por su rendimiento consiste en una solución interesante para los casos en que se desea sonido con volumen capaz de llamar la atención de muchas personas como alarmas, sistemas de aviso, etc.
Dos destaques adicionales en el uso de este amplificador: fácil de trabajar pues utiliza envoltura TO-220 (como un transistor de potencia) además de necesitar de pocos componentes externos para la implementación del amplificador.
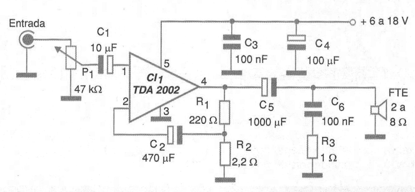
En la figura 1 tenemos el circuito de la versión básica con ganancia de tensión igual a 100.
La ganancia de tensión se determina por la relación entre los valores de R1 y R2.
La corriente de reposo es de 45 a 80 mA y la corriente de pico llega a los 1,8 A. La fuente debe ser capaz de suministrar esa corriente.
En la figura 2 tenemos la placa de circuito impreso para el montaje de ese amplificador.
Observe que el circuito integrado debe estar dotado de un buen radiador de calor.
Otras características de este amplificador son la respuesta de frecuencia de 40 a 15 000 Hz y la sensibilidad de 50 mV para potencia de 8 W con carga de 2 ohmios.
En la figura 3 tenemos una fuente de alimentación para ese amplificador.

Para una versión estéreo la capacidad de corriente del transformador y de los diodos debe ser doblada.
El capacitor electrolítico también debe ser aumentado para obtener un buen filtrado, en ese caso.
LISTA DE MATERIAL
Semiconductores:
CI-1 - TDA2002 (uPC2002) - circuito integrado
Resistores: (1/8 W, 5%)
R1 - 220 ohms
R2 - 2,2 ohms
R3 - 1 ohms
P1 - 47 k ohms - log - potenciómetro
Capacitores:
C1 - 10 uF x 16 V - electrolítico
C2 - 470 uF x 16 V - electrolítico
C3, C6 - 100 nF - poliéster o cerámico
C4 - 100 uF x 16 V - electrolítico
C5 - 1 000 uF x 25 V - electrolítico
Varios:
FTE - Altavoz de 2 ó 4 ohms x 10 cm o mayor
Placa de circuito impreso, hilos, radiador de calor para el circuito integrado, soldadura, material para la fuente de alimentación, etc.





