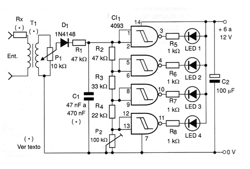
El circuito mostrado en la figura, acciona una barra de 4 LED con una señal de audio aplicada a su entrada. Los resistores en serie con los LEDs determinan su brillo pudiendo ser disminuidos si la tensión de alimentación es menor que 9 V. El capacitor C1 determina la inercia del sistema, es decir, la velocidad con que responde a las variaciones de la señal de audio de entrada. El transformador sirve para aislar el circuito de audio del bargraph. Se puede utilizar cualquier pequeño transformador de alimentación que tenga un devanado primario para la red de energía (el cual será conectado al potenciómetro) y un secundario de 3 a 9 V con corriente en el rango de 50 mA a 250 mA. El potenciómetro sirve para ajustar el punto de funcionamiento del indicador de barra móvil en función de la intensidad de la señal de entrada. El trimpot de 100 k ohms sirve para ajustar la escala, de modo que todos los LEDs queden apagados en ausencia de señal. En realidad, este trimpot ajusta la extensión de la escala. El circuito puede ser adaptado para operar con 2 4093 y así accionar hasta 8 LED en una escala. En este caso, la red de resistencias de entrada debe adaptarse. Para mayor número de LED, sin embargo, la tensión de alimentación debe estar entre 9 y 12 V. El primario del transformador se conecta a la salida del altavoz del equipo de sonido. Rx depende de la potencia del equipo de sonido, según la siguiente tabla:





