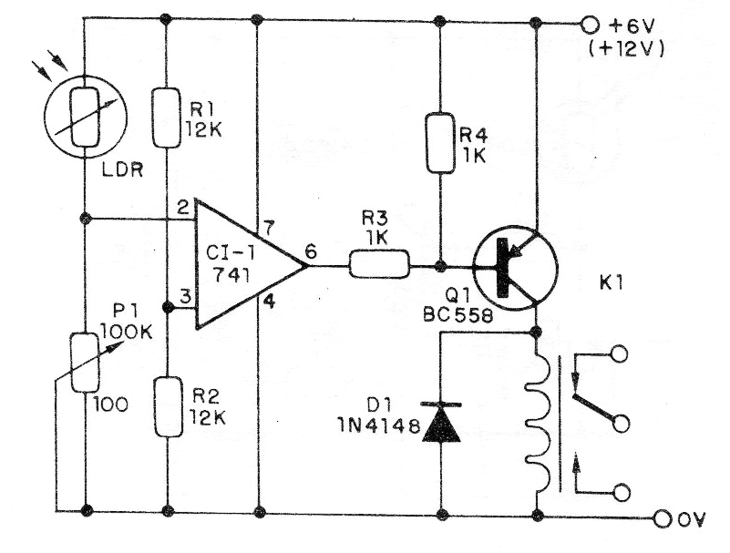
Este relé de luz o sobre, según las posiciones del LDR y de P1 es extremadamente sensible, pues utiliza un amplificador operacional para excitar un transistor.
Podemos utilizar este circuito en alarmas, en un control remoto con linterna, como sensor de luz o sombra para robots y en muchas aplicaciones que involucran la detección de luz.
El circuito puede ser alimentado con tensiones de 6 V a 12 V, conforme el relé utilizado y en la condición de relé desarmado el consumo es bajo posibilitando el uso de pilas.
El relé puede ser cualquiera tipo sensible de 6 ó 12 V y otros componentes no son críticos.
En la figura 1 tenemos el circuito completo del relé fotoeléctrico.
En la figura 2 tenemos una sugerencia para montaje en placa de circuito impreso.
Lista de materiales:
CI-1 - 741 - circuito integrado, amplificador operacional
Q1- BC558 - transistores PNP de uso general
D1- 1N4148 - diodo de uso general
LDR- LDR redondo común
P1 - 100k ohms - trimpot o potenciómetro
R1, R2 - 12k ohms x 1/8 W - resistores - marrón, rojo, naranja
R3 - 1k ohms x 1/8 W - resistor - marrón, negro, rojo
Varios:
Placa de circuito impreso, fuente de alimentación o pilas, caja para montaje, hilos, soldadura, etc.





