El circuito que presentamos hace que dos LED parpadeen alternativamente, pudiendo ser usado en señalización, demostraciones y otras aplicaciones.

   En este circuito, el tiempo de encendido de cada LED depende de los valores de los capacitores electrolíticos usados, los cuales pueden ser alterados en una amplia gama de valores por el lector.

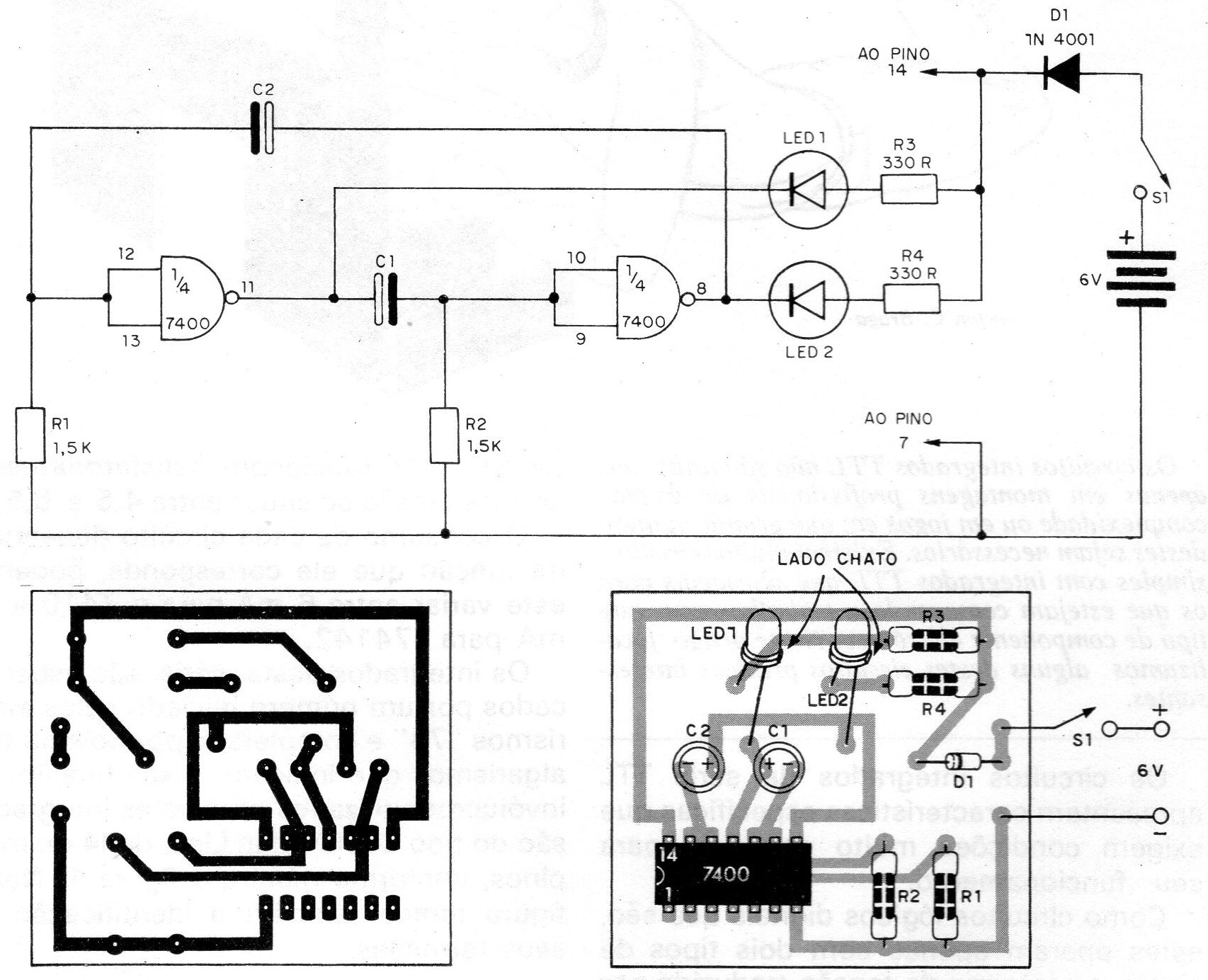
    En la figura 1 tenemos el diagrama y la placa de circuito impreso para el montaje.

 

 

Figura 1 - Diagrama y placa
Figura 1 - Diagrama y placa | Clique na imagem para ampliar |

 

   

Estos capacitores pueden tener sus valores entre 47 uF y 500 uF, sin problemas de funcionamiento para el circuito.

   La alimentación de este parpadeante viene de 4 pilas pequeñas conectadas en serie que proporcionan una tensión de 6 V. Para reducir estos 6 V a los 5 V que el integrado precisa para su funcionamiento normal se utiliza un diodo de silicio común 1N914 o 1N4001.

   La caída de tensión del orden de 0,6 V obtenida en este componente lleva la alimentación correcta al problema de sobrecarga.

   En serie con cada LED debe conectarse una resistencia para limitar su corriente al valor que el circuito integrado puede suministrar.

   En el montaje el lector puede usar una pequeña placa de circuito impreso con los LEDs fijados directamente en la misma.

   Observe la posición del circuito integrado al integrado al hacer su soldadura, así como la polaridad del diodo y de los capacitores electrolíticos.

   Observamos que los LEDs también son componentes polarizados, debiendo su posición en la conexión ser observada.