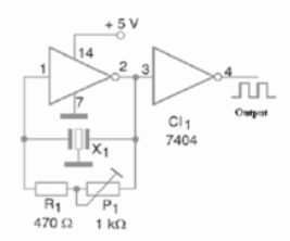
Este oscilador TTL utiliza un resonador cerámico como elemento de fijación de la frecuencia. El resonador se encuentra en los filtros de FI de los receptores de FM comunes. Uno de ellos puede ser obtenido en una radio transistorizada antigua de FM fuera de uso. El circuito genera señales rectangulares y debe ser alimentado con 5 V. P1 ajusta el punto de oscilación. El circuito es del libro Science Fair Projects de Newton C. Braga publicado en los Estados Unidos.




