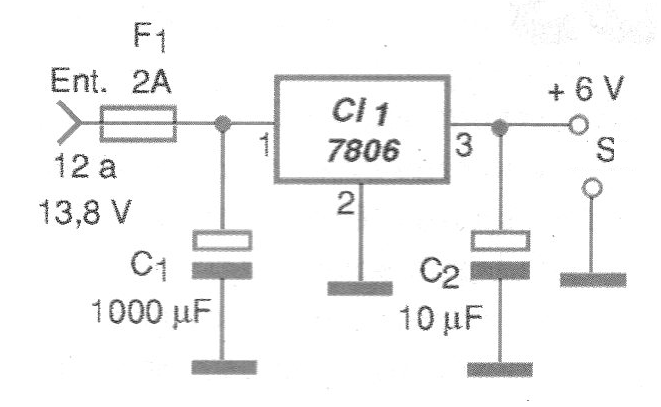
La finalidad del circuito de la figura 1 es obtener, de forma simple, una tensión de 6 V para alimentación de equipos portátiles a partir de la batería de uso automotriz. La corriente máxima es de 1 A y los enchufes de conexión con polaridad correcta se deben utilizar. El capacitor C1 debe tener una tensión de trabajo de al menos 16 V y el circuito integrado debe montarse en un disipador de calor.
En la figura 2 tenemos la placa de circuito impreso para el montaje del reductor. Recomendamos que se cierre en una caja de plástico.
Lista de material
CI-1 - 7806 - circuito integrado
C1 - 1000 uF x 16 V - capacitor electrolítico
C2 - 10 uF x 12 V - capacitor electrolítico
F1 - 2 A - fusible
Varios:
Placa de circuito impreso, hilos, soldadura, radiador de calor para el circuito integrado, etc.





