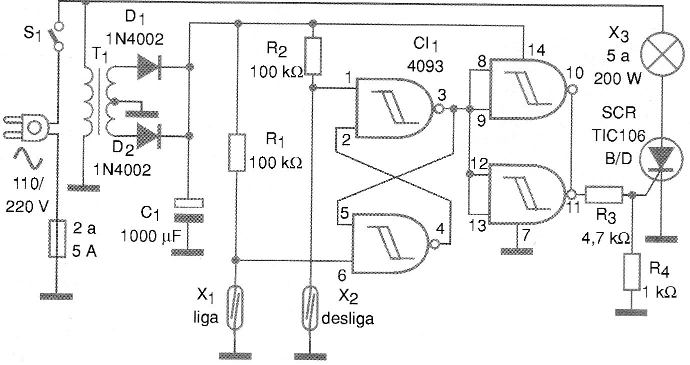
El circuito presentado en la figura 1 controla una lámpara incandescente de alta potencia (hasta 200 W) a partir del mando (pulsos) producidos por dos sensores del tipo reed o aún micro-switches.
Entre las aplicaciones sugeridas podemos citar controles de entrada y salida con sensores de peso o magnéticos o aún sistemas de aviso en que imanes se pueden usar como llaves accionadoras.
En este circuito uno de los sensores enciende la lámpara mientras el otro se apaga, ya que se trata de una configuración bi-estable con un flip-flop R-S.
Evidentemente, como el sector de control de baja tensión tiene puntos comunes con el circuito de alta tensión que controla la lámpara, los sensores deben ser aislados, pues pueden causar choques en caso de toque accidental.
En la figura 2 tenemos una sugerencia de placa de circuito impreso para implementación de ese proyecto.
El SCR debe tener sufijo B o D según la tensión de la red de energía y el transformador es del mismo tipo recomendado en los proyectos similares en el sitio. El SCR debe estar dotado de un radiador de calor, según la potencia de la lámpara controlada.
Observamos que, como los demás circuitos, se trata de un control de media onda con la lámpara encendida con brillo por debajo de lo normal. Para un brillo mayor, un puente rectificador puede ser agregado al sistema de control de la lámpara.
El circuito no se puede utilizar con lámparas fluorescentes o lámparas electrónicas, pero puede controlar cargas resistivas de otros tipos como elementos de calefacción, en automatismos que el lector puede crear.
El fusible debe dimensionarse de acuerdo con la potencia de la lámpara utilizada.
Si el cable de conexión a los sensores es largo, o se tiende a un disparo errático, disminuya el valor de R1 y R2 hasta un mínimo de 10 k ohmios. Utilice el cable blindado si los sensores se sitúan a más de 10 metros de distancia del circuito. La lámpara incandescente, por otro lado, puede quedar muy lejos del circuito de control.
Diversos sensores se pueden conectar en paralelo para un accionamiento lógico. También es necesario recordar que dos sensores no deben ser accionados al mismo tiempo, pues eso causaría un funcionamiento errático.
Lista de material
Semiconductores:
CI-1 - 4093 - circuito integrado CMOS
SCR - TIC106 B o D, según la red de energía - SCR común
D1, D2 - 1N4002 - diodos rectificadores
Resistores: (1/8 W, 5%)
R1, R2 - 100 k ohms - marrón, negro, amarillo
R3 - 4,7 k ohms - amarillo, violeta, rojo
R4 -1 k ohms - marrón, negro, rojo
Capacitores:
C1 - 1 000 uF x 16 V - electrolítico
Varios:
T1 - Transformador con primario de acuerdo con la red de energía y secundaria de 7,5 + 7,5 V o 6 + 6 V y corriente n a rango de 50 a 300 mA.
F1 - Fusible de 1 a 5 A
S1 - Interruptor simple
X1, X2 - Sensores reed, micro-switches u otro tipo de sensor de encendido / apagado
X1 - Lámpara incandescente común de 5 a 200 W
Placa de circuito impreso, cable de alimentación, zócalo para la lámpara, soporte para el fusible, radiador de calor para el SCR, caja para montaje, hilos, soldadura, etc.





