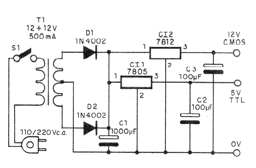
Esta fuente de alimentación puede proporcionar tensiones de 5 V y 12 V bajo corrientes hasta 1 A. La salida está regulada y tiene protección contra cortocircuito. El transformador debe suministrar al menos 1 A si las dos tensiones no se utilizan simultáneamente y 2 A si se utilizan simultáneamente.
Los circuitos integrados deben estar dotados de radiadores de calor y las salidas deben ser identificadas con las tensiones que suministran. El circuito completo de la fuente se muestra en la figura 1.
El montaje se puede realizar en una pequeña placa de circuito impreso, como se muestra en la figura 2.
En el montaje observe las posiciones de los circuitos integrados y polaridad de los diodos y de los condensadores electrolíticos.
Con el uso de un 7806 para CI-1 es posible obtener una tensión de salida de 6 V en lugar de 5 V. La salida de 6 V también puede ser agregada en paralelo a las existentes.
Lista de material
CI-1 - 7805 - circuito integrado - regulador de tensión
CI-2 - 7812 - circuito integrado - regulador de tensión
D1, D2- 1N4002 - diodos de silicio
T1 - Transformador - 12 + 12 V x 1 o 2 A - ver texto
S1 - Interruptor simple
C1 - 1 000 uF x 25 V o más - capacitor electrolítico
C2, C3 - 100 uF x 16 V o más - capacitores electrolíticos
Varios: placa de circuito impreso, cable de alimentación, bornes de salida, caja para montaje, hilos, soldadura, etc.





