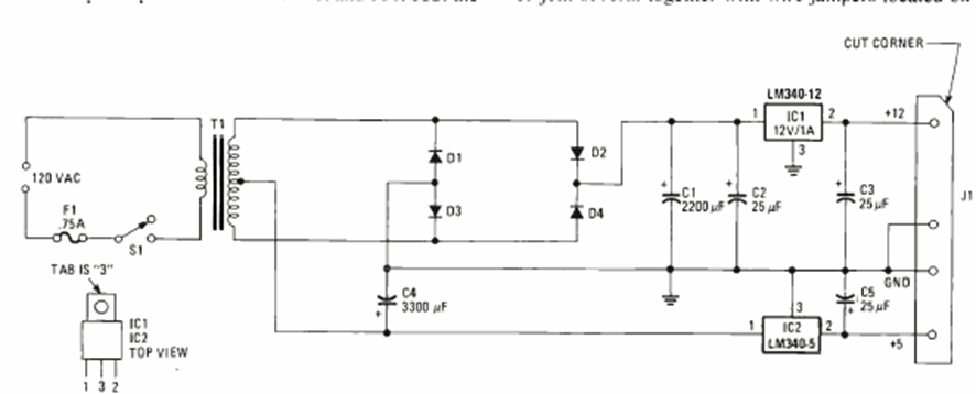
Esta fuente de alimentación para quienes quieran alimentar y recuperar disquetes de 5 ¼ fue encontrada en la edición especial de la revista Electronics Experimenter del año 1983.
Con este simple probador podemos probar cables de electrodomésticos, motores, lámparas,...
Este pulsador para un LED, o Flasher, tiene un consumo extremadamente bajo, pudiendo ser...
Las lámparas neón son elementos activos de circuitos que se caracterizan por presentar una región de...