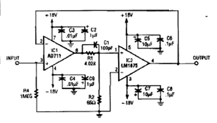
Encontrado en la revista Electronics Now en un número de los años 90, este circuito se diferencia del anterior porque invierte la fase de la señal aplicada al altavoz. La fuente debe ser simétrica a 18 V.
Con este simple probador podemos probar cables de electrodomésticos, motores, lámparas,...
Este pulsador para un LED, o Flasher, tiene un consumo extremadamente bajo, pudiendo ser...
Las lámparas neón son elementos activos de circuitos que se caracterizan por presentar una región de...