Este oscilador experimental produce señales en el rango de ondas medias (OM) entre 550 kHz y 1600 kHz, pudiendo ser captadas en cualquier radio común para esta banda. El alcance, evidentemente, es pequeño, del orden de 2 a 3 metros sin antena, como máximo, pero permite su utilización a través de paredes y otros obstáculos. La alimentación se realiza con dos pilas pequeñas, pero funciona con hasta 4 pilas.
La señal no es modulada, de modo que lo que se capta en la radio es una portadora de alta frecuencia que resulta en el altavoz en una especie de "soplo".
Para la transmisión de mensajes codificados, S1 puede ser sustituido por un controlador. En este caso, las señales se codificar en Morse.
Colocado en una cajita se convierte en un transmisor de bolsillo para transmisiones a distancias cortas, o generador de señales para la calibración de radios.
Montaje
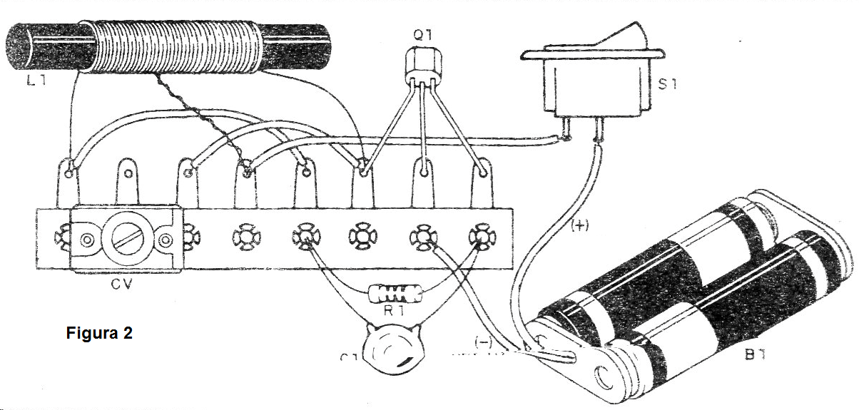
En la figura 1 tenemos el diagrama completo del aparato y en la figura 2 tenemos el montaje realizado en un puente de terminales aislados.

La bobina L1 se enrolla en un bastón de ferrita de 10 a 25 cm de longitud y un diámetro de 5 a 10 mm. Esta bobina consta de 50 + 50 vueltas de alambre esmaltado 28 AWG.
El capacitor C1 debe ser cerámico y su valor no es crítico, pudiendo tener valores entre 1 y 10 nF. El condensador Cv puede ser un trimmer común o una variable obtenida de un radito transistorizado fuera de uso.




