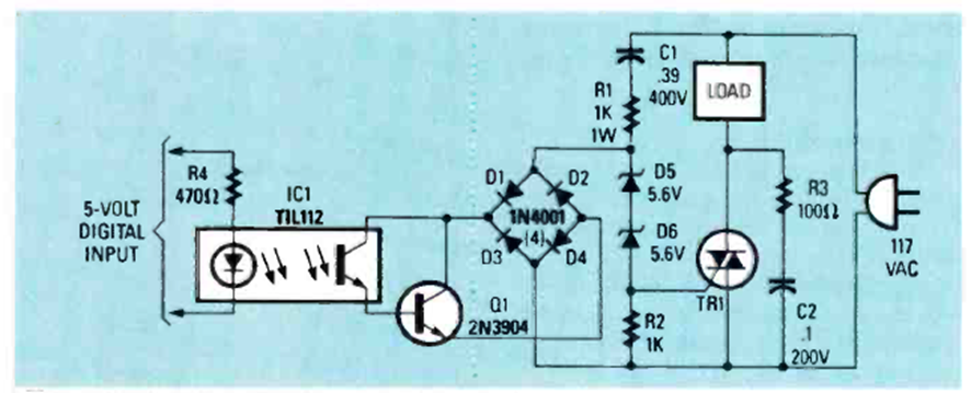
Este circuito es un excelente protector para microcontroladores y se encontró en la revista Radio Electronics de octubre de 1987. Se puede utilizar con otras tensiones, ya que el triac y el optoaislador admiten versiones más modernas.
Recibir señales moduladas o no de radiación infrarroja convirtiéndolas en una tensión amplificada que...
El agua pura es aislante, pero el agua con sal, ácido o base es conductora y electricidad....
El circuito de la figura sirve para aumentar la intensidad de las señales de audio de fuentes como...