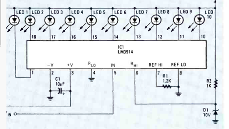
En la figura tenemos la forma de utilizar el Bargraph LM3914 con una fuente de voltaje de referencia externa. La referencia no puede ser mayor que la tensión de alimentación.
Encontramos este circuito en un manual de General Electric de 1965. El circuito se aplica solo a...
Encontrado en la documentación de Motorola de la década de 1960, este circuito de temporización puede durar...
Encontrado en Radio Electronics de los años 90, este circuito produce pulsos para probar un...