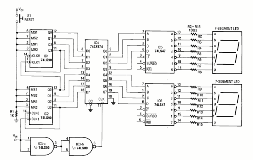
Este contador TTL se encontró en la edición de marzo de 1991 de la revista Radio Electronics. El circuito es parte de un proyecto más grande y debe ser alimentado con una tensión de 5 V.
Este circuito fue originalmente diseñado para controlar la temperatura de un hierro de soldadura,...
Cuando la iluminación disminuye, este multivibrador entra en funcionamiento, haciendo que la...
Este oscilador muy simple, con un solo transistor, fue encontrado en una revista japonesa en 1967....