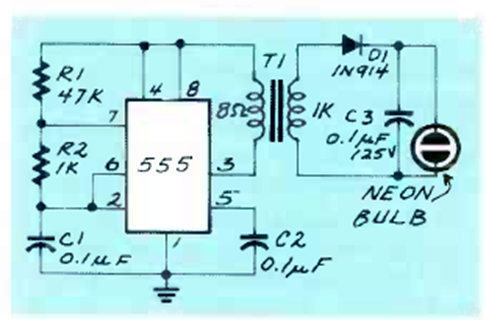
Este circuito consta de un pequeño inversor para encender una lámpara de neón con baja tensión. El circuito es de una revista Radio Electronics de octubre de 1989.

Este circuito consta de un pequeño inversor para encender una lámpara de neón con baja tensión. El circuito es de una revista Radio Electronics de octubre de 1989.
