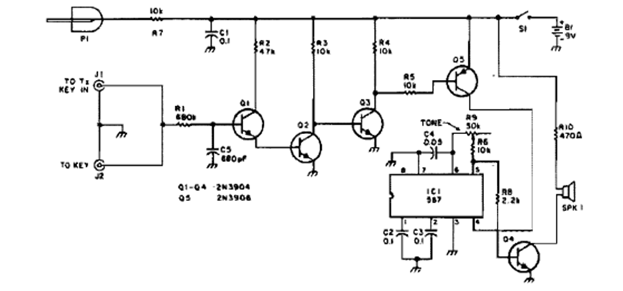
Este circuito de práctica de código se encontró en una edición de la década de 1990 de la revista Radio Amateur Today. Produce un tono de audio con el 555.
Este circuito fue originalmente diseñado para controlar la temperatura de un hierro de soldadura,...
Cuando la iluminación disminuye, este multivibrador entra en funcionamiento, haciendo que la...
Este oscilador muy simple, con un solo transistor, fue encontrado en una revista japonesa en 1967....