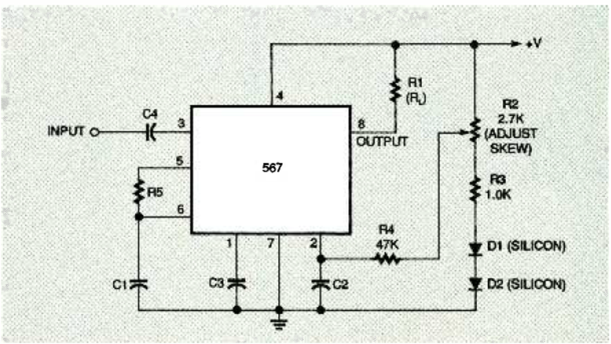
Este circuito reconocedor de tonos que se basa en R5 y C1 fue encontrado en la edición de diciembre de 1994 de la revista Electronics Now. El circuito funciona normalmente con tensiones de entre 6 y 12 V.
El oscilador rectangular presentado en la figura hace uso de una de las cuatro puertas NAND de un...
Este circuito reúne en un sistema único diversos tipos de alarmas. Tenemos así los sensores por...
Este circuito tiene por objetivo accionar un relé cuando incide la luz en el LDR. Podemos usarlo en...