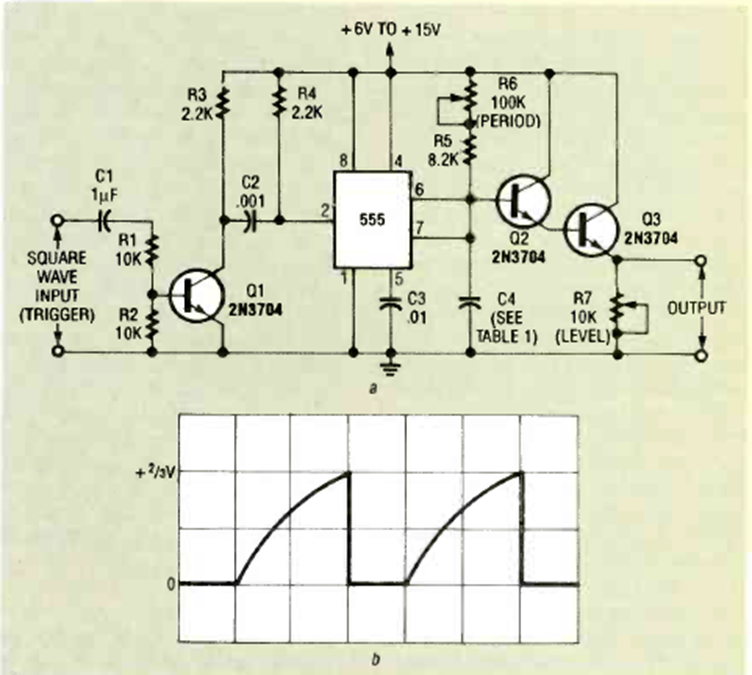
Esta interesante aplicación en un circuito que permite la sincronización se publicó en la edición de diciembre de 1992 de la revista Radio Electronics. Las temperaturas del capacitor se pueden adaptar a las necesidades de frecuencia.
El oscilador rectangular presentado en la figura hace uso de una de las cuatro puertas NAND de un...
Este circuito reúne en un sistema único diversos tipos de alarmas. Tenemos así los sensores por...
Este circuito tiene por objetivo accionar un relé cuando incide la luz en el LDR. Podemos usarlo en...