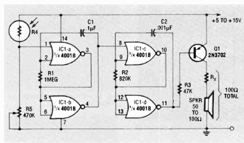
Este circuito de alarma se encontró en la edición de julio de 1992 de la revista Radio Electronics. El circuito utiliza una pequeña etapa de potencia para el altavoz y tiene un ajuste de sensibilidad en R5.
Este potente amplificador con salida en simetría complementaria es de una antigua documentación de los...
Este circuito se obtuvo de documentación estadounidense de la década de 1980. Los transistores admiten...
Este amplificador digital de alta ganancia utiliza transistores de uso general. La tensión de...