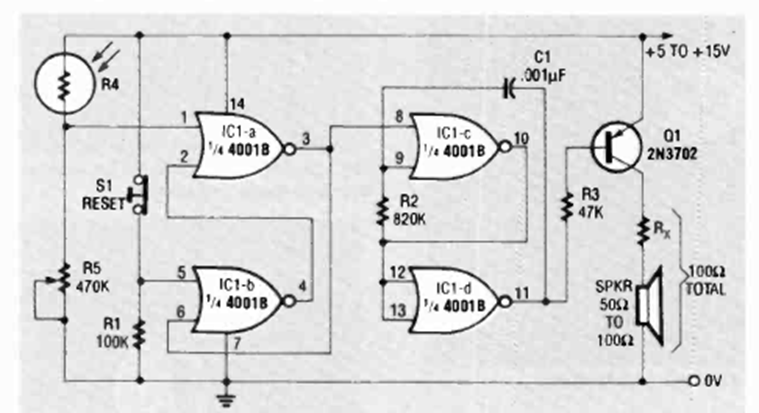
Esta alarma integrada CMOS se encontró en la revista Radio Electronics de julio de 1992. El circuito tiene una pequeña etapa de potencia y su sensibilidad se ajusta en R5.
El oscilador rectangular presentado en la figura hace uso de una de las cuatro puertas NAND de un...
Este circuito reúne en un sistema único diversos tipos de alarmas. Tenemos así los sensores por...
Este circuito tiene por objetivo accionar un relé cuando incide la luz en el LDR. Podemos usarlo en...