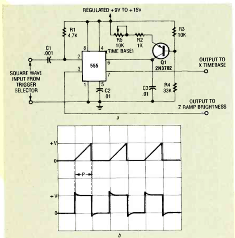
Este circuito que genera una señal de diente de sierra lineal se puede utilizar en un osciloscopio de rango de frecuencia. El circuito fue encontrado en la edición de diciembre de 1992 de la revista Radio Electronics.
El oscilador rectangular presentado en la figura hace uso de una de las cuatro puertas NAND de un...
Este circuito reúne en un sistema único diversos tipos de alarmas. Tenemos así los sensores por...
Este circuito tiene por objetivo accionar un relé cuando incide la luz en el LDR. Podemos usarlo en...