Este circuito se encontró en la edición de julio de 1992 de la revista Radio Electronics. El circuito de salida debe estar equipado con un disipador de calor.
El oscilador rectangular presentado en la figura hace uso de una de las cuatro puertas NAND de un...
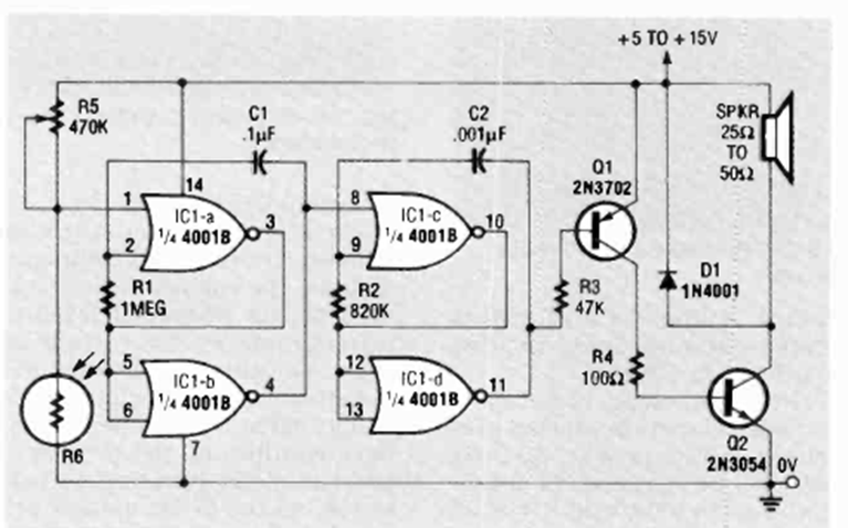
Este circuito reúne en un sistema único diversos tipos de alarmas. Tenemos así los sensores por...
Este circuito tiene por objetivo accionar un relé cuando incide la luz en el LDR. Podemos usarlo en...