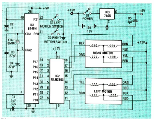
Este circuito fue obtenido de la edición de abril de 1991 de la revista Radio Electronics. El circuito está basado en un antiguo microcontrolador 8748. El artículo de la revista enseñaba cómo ensamblarlo.
.

Este circuito fue obtenido de la edición de abril de 1991 de la revista Radio Electronics. El circuito está basado en un antiguo microcontrolador 8748. El artículo de la revista enseñaba cómo ensamblarlo.
.
