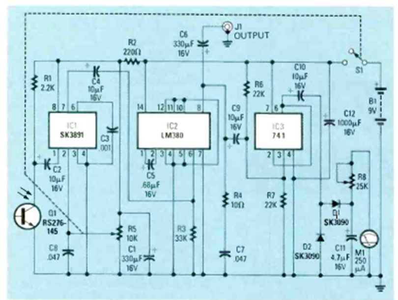
Este circuito recibe las señales moduladas reflejadas por un láser en el cristal de una ventana, permitiendo escuchar conversaciones. El circuito es de un proyecto de la revista Radio Electronics de octubre de 1987.
El oscilador rectangular presentado en la figura hace uso de una de las cuatro puertas NAND de un...
Este circuito reúne en un sistema único diversos tipos de alarmas. Tenemos así los sensores por...
Este circuito tiene por objetivo accionar un relé cuando incide la luz en el LDR. Podemos usarlo en...