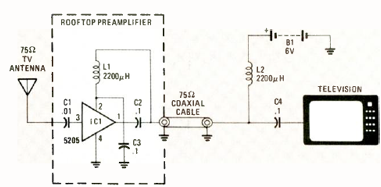
Este circuito que también sirve para amplificar señales de FM desde una antena externa fue encontrado en la revista Radio Electronics de mayo de 1987. Tenga en cuenta que el circuito se alimenta del propio cable de acometida.
He aquí una montaje muy curiosa que implica la producción alternativa de energía eléctrica: una...
Describimos el montaje de un fotómetro muy simple que puede ser usado en la comparación de niveles...
Para esto se necesitará el siguiente material: 1 Capacitor electrolítico de 470 µF o 1000 µF de...