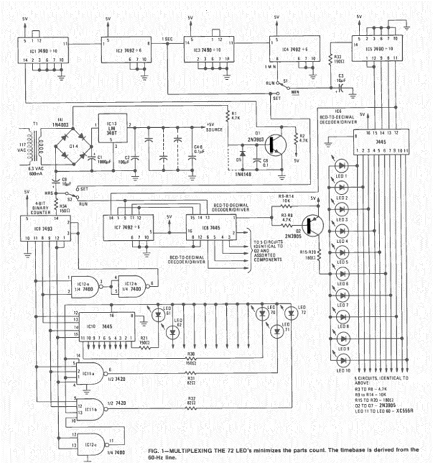
Este interesante circuito en el que la pantalla LED es circular imitando un reloj común apareció en la revista Radio Electronics en mayo de 1977. La fuente de alimentación está incluida.
He aquí una montaje muy curiosa que implica la producción alternativa de energía eléctrica: una...
Describimos el montaje de un fotómetro muy simple que puede ser usado en la comparación de niveles...
Para esto se necesitará el siguiente material: 1 Capacitor electrolítico de 470 µF o 1000 µF de...