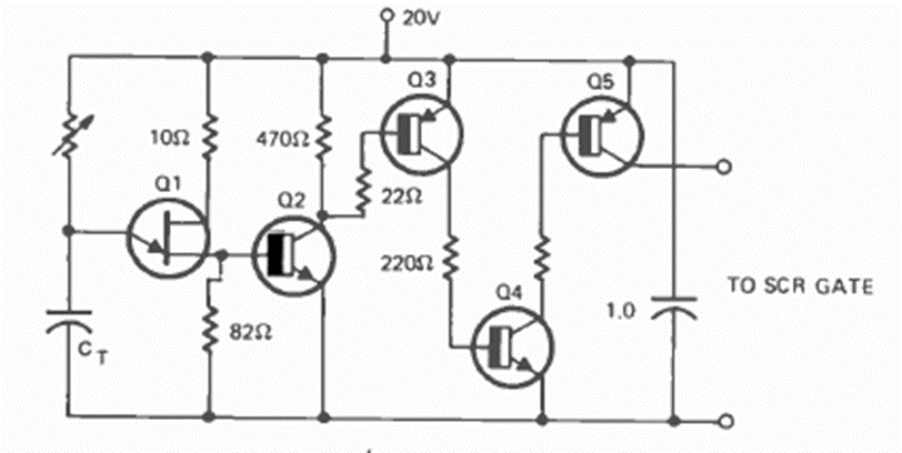
Este circuito generador de impulsos de disparo de transistor unijuntura se encontró en la revista Radio Electronics de marzo de 1973. Los valores típicos para Re CT son 100k y 220 nF.
He aquí una montaje muy curiosa que implica la producción alternativa de energía eléctrica: una...
Describimos el montaje de un fotómetro muy simple que puede ser usado en la comparación de niveles...
Para esto se necesitará el siguiente material: 1 Capacitor electrolítico de 470 µF o 1000 µF de...