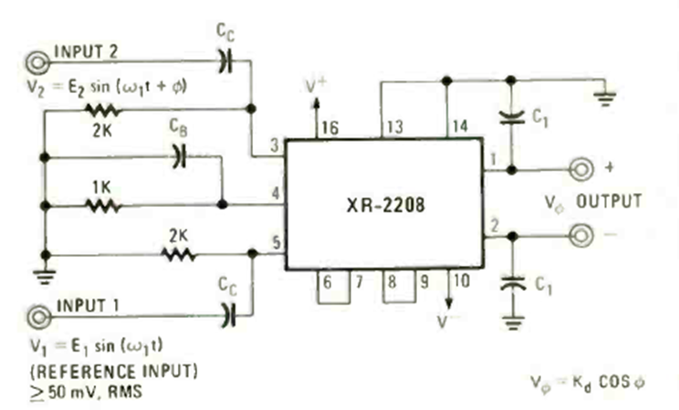
Encontrado en la edición de abril de 1978 de la revista Radio Electronics, este circuito debe ser alimentado por una fuente simétrica de 15 V. Las señales son de baja intensidad.
He aquí una montaje muy curiosa que implica la producción alternativa de energía eléctrica: una...
Describimos el montaje de un fotómetro muy simple que puede ser usado en la comparación de niveles...
Para esto se necesitará el siguiente material: 1 Capacitor electrolítico de 470 µF o 1000 µF de...