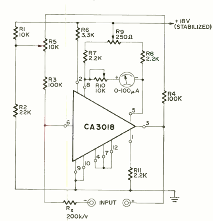
Encontramos este amplificador de tensión sensible de alta impedancia de entrada en la revista Radio Electronics de noviembre de 1970. El circuito se alimenta con una tensión de 18 V.
He aquí una montaje muy curiosa que implica la producción alternativa de energía eléctrica: una...
Describimos el montaje de un fotómetro muy simple que puede ser usado en la comparación de niveles...
Para esto se necesitará el siguiente material: 1 Capacitor electrolítico de 470 µF o 1000 µF de...