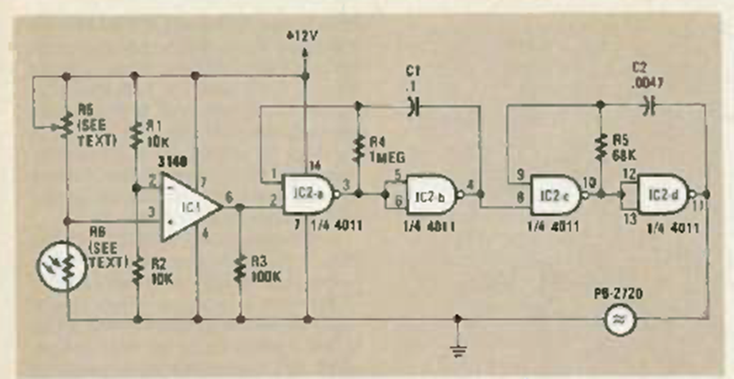
Utilizando el CA3140 como base, este circuito se encontró en Radio Electronics a partir de junio de 1986. El ajuste de sensibilidad se realiza en el trimpot en serie con el sensor.
He aquí una montaje muy curiosa que implica la producción alternativa de energía eléctrica: una...
Describimos el montaje de un fotómetro muy simple que puede ser usado en la comparación de niveles...
Para esto se necesitará el siguiente material: 1 Capacitor electrolítico de 470 µF o 1000 µF de...