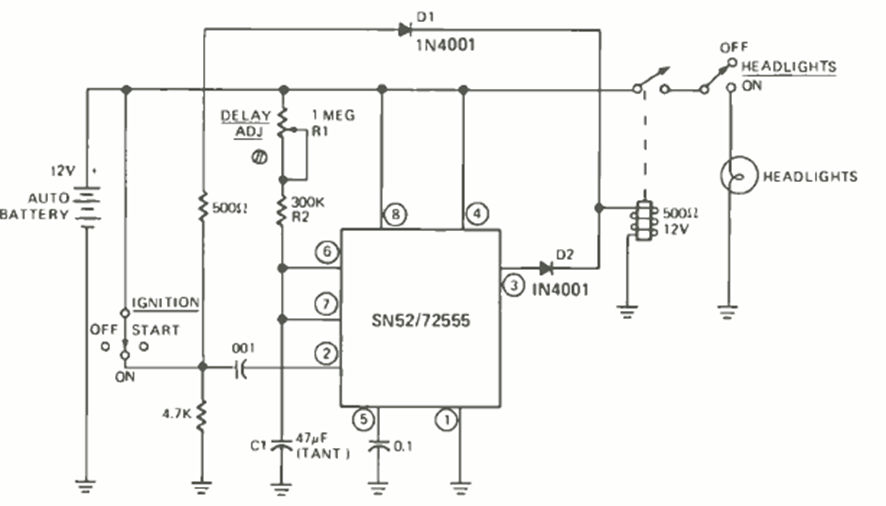
Este circuito fue encontrado en la revista Radio Electronics de febrero de 1976. El circuito está alimentado por 12 V y consta de un temporizador que se activa de forma intermitente.
He aquí una montaje muy curiosa que implica la producción alternativa de energía eléctrica: una...
Describimos el montaje de un fotómetro muy simple que puede ser usado en la comparación de niveles...
Para esto se necesitará el siguiente material: 1 Capacitor electrolítico de 470 µF o 1000 µF de...