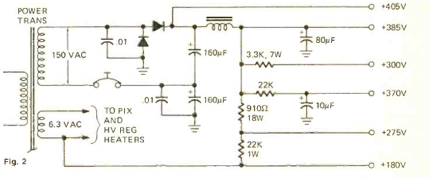
Esta fuente de alimentación apareció en la revista Radio Electronics en diciembre de 1973. Este tipo de circuito se utilizaba en aquella época para alimentar televisores de válvulas.
Este circuito convierte las señales de la banda de 350 a 500 kHz a la banda de 4.36 a 4.5 MHz, lo que...
Este circuito de automatización fue encontrado en la revista Radio Electronics de octubre de 1961....
Este circuito de puente H puede usar transistores de media potencia de hasta 500 mA como BD135 y...