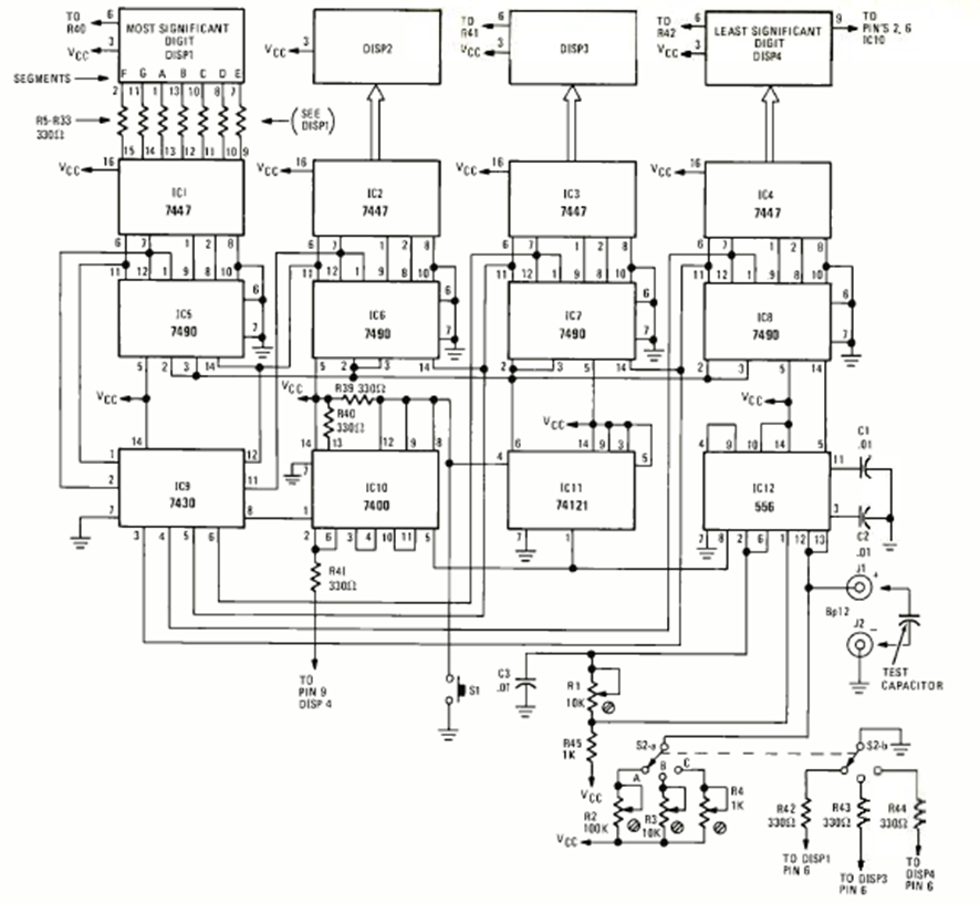
Este circuito fue encontrado en la revista Radio Electronics de diciembre de 1977. El circuito de 4 dígitos se basa en lógica TTL y debe alimentarse con una tensión de 5 V.
Este circuito convierte las señales de la banda de 350 a 500 kHz a la banda de 4.36 a 4.5 MHz, lo que...
Este circuito de automatización fue encontrado en la revista Radio Electronics de octubre de 1961....
Este circuito de puente H puede usar transistores de media potencia de hasta 500 mA como BD135 y...