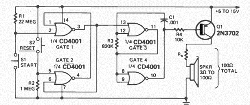
Este circuito de alarma se activa cuando se abre S1. El circuito de una revista Radio Electronics de enero de 1975 se puede utilizar con sensores de interrupción conectados en serie.
Este circuito convierte las señales de la banda de 350 a 500 kHz a la banda de 4.36 a 4.5 MHz, lo que...
Este circuito de automatización fue encontrado en la revista Radio Electronics de octubre de 1961....
Este circuito de puente H puede usar transistores de media potencia de hasta 500 mA como BD135 y...