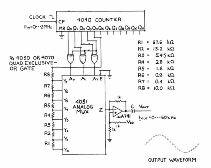
Encontramos este circuito generador de señales en la revista Radio Electronics de noviembre de 1978. El circuito emplea circuitos CMOS y tiene una frecuencia de entrada máxima de 2 MHz.
Como hemos visto, el circuito integrado 555 es uno de los temporizadores más populares y encuentra...
A falta de un circuito para amplificar las señales de un termopar en un control de temperatura u otra...
¿Cómo generar energía eléctrica a partir de dos monedas comunes? Si el lector cree que eso es...