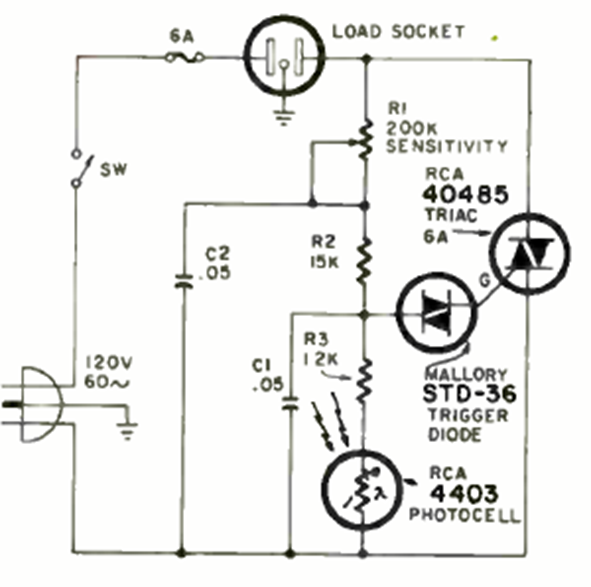
Este circuito común en la época fue encontrado en la revista Radio Electronics de febrero de 1973. Se utiliza para lámparas incandescentes y el ajuste de sensibilidad se realiza en R1.

Este circuito común en la época fue encontrado en la revista Radio Electronics de febrero de 1973. Se utiliza para lámparas incandescentes y el ajuste de sensibilidad se realiza en R1.
