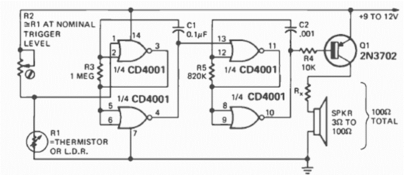
Este circuito se encontró en la revista Radio Electronics de enero de 1975. El circuito está basado en el 4001 y tiene un paso de potencia que se puede cambiar según sugerencias de circuitos anteriores de esta serie 4001.
Este circuito con componentes únicamente pasivos debe conectarse a la entrada de un amplificador. Lo...
Este circuito fue publicado en una revista inglesa de 1982, pero se puede montar fácilmente...
El nombre del receptor encontrado en una Popular Electronics de marzo de 1957 proviene del hecho de...