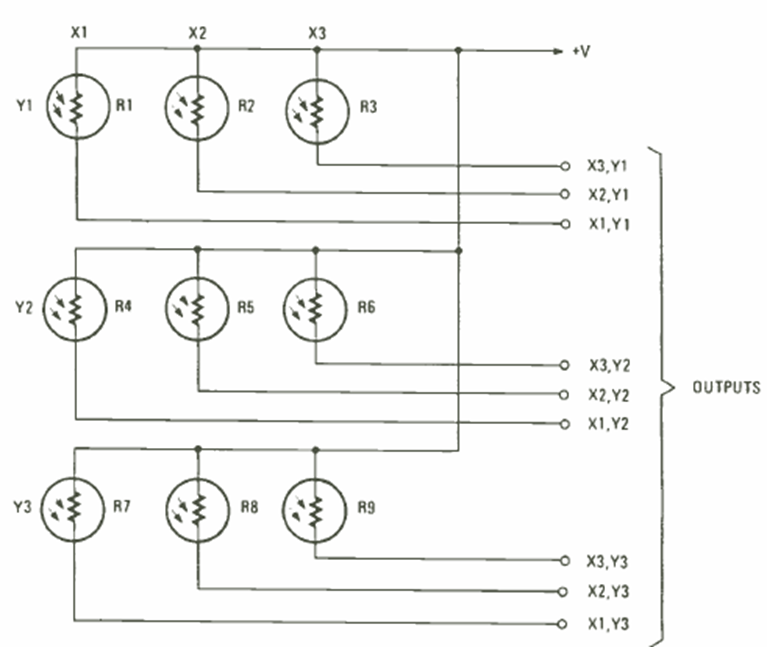
Este circuito de 9 píxeles se implementó con 9 LDR y puede acoplarse a un sistema de procesamiento para un ojo artificial elemental. El circuito es un Radio Electronics de noviembre de 1986.
Este circuito con componentes únicamente pasivos debe conectarse a la entrada de un amplificador. Lo...
Este circuito fue publicado en una revista inglesa de 1982, pero se puede montar fácilmente...
El nombre del receptor encontrado en una Popular Electronics de marzo de 1957 proviene del hecho de...