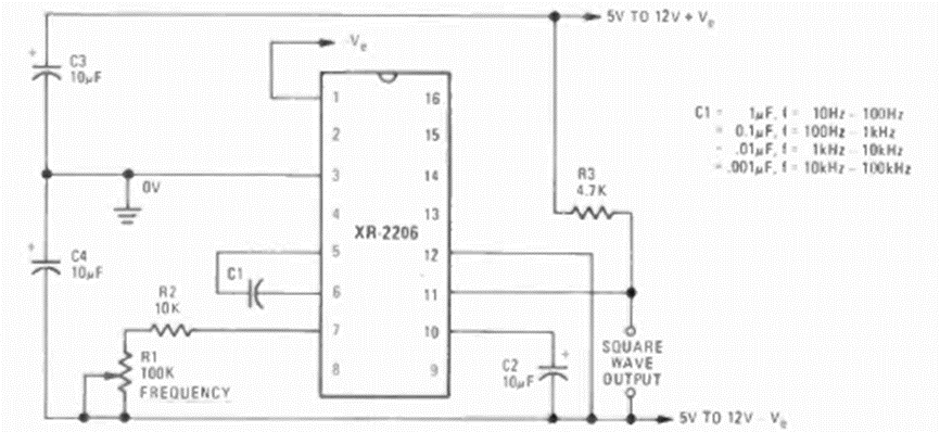
Encontramos este circuito en la revista Radio Electronics de abril de 1977. El circuito genera señales cuadradas en el rango de frecuencia que depende de C1. Los valores se dan al lado del diagrama.
Este circuito con componentes únicamente pasivos debe conectarse a la entrada de un amplificador. Lo...
Este circuito fue publicado en una revista inglesa de 1982, pero se puede montar fácilmente...
El nombre del receptor encontrado en una Popular Electronics de marzo de 1957 proviene del hecho de...