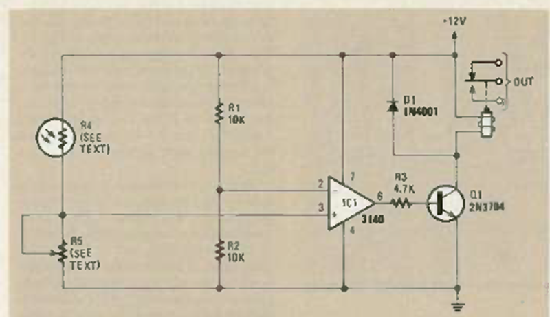
Este circuito activa el relé cuando la temperatura excede el valor establecido en el trimpot. El circuito es de Radio Electronics de junio de 1986. El sensor es un NTC y el valor de ajuste depende de este componente.
Este circuito se encontró en una Electronic Design de 1965. La configuración se puede aplicar a...
Encontrado en la documentación anterior, este circuito está sintonizado para pasar señales por debajo...
Este circuito aparece en otra parte de este sitio, pero de diferentes fuentes. Usando el LM3900,...