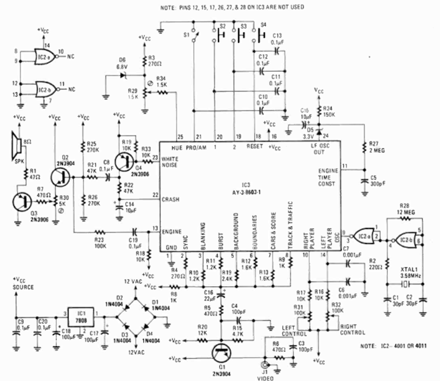
Este es el circuito tradicional del videojuego de carreras de 1980 con el AY3-6603-1 que también publicamos en su momento en nuestras revistas. Este circuito es de la revista Radio Electronics de agosto de 1980.
Este circuito con componentes únicamente pasivos debe conectarse a la entrada de un amplificador. Lo...
Este circuito fue publicado en una revista inglesa de 1982, pero se puede montar fácilmente...
El nombre del receptor encontrado en una Popular Electronics de marzo de 1957 proviene del hecho de...