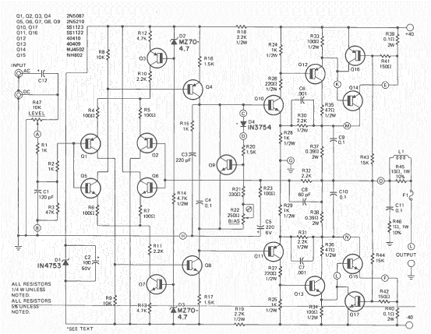
Este amplificador de 60 W por canal fue publicado en un artículo de la revista Radio Electronics en marzo de 1973. El circuito utiliza transistores de potencia de la época y tiene una salida de 8 ohms. Se deben utilizar buenos disipadores de calor en los transistores de salida.




