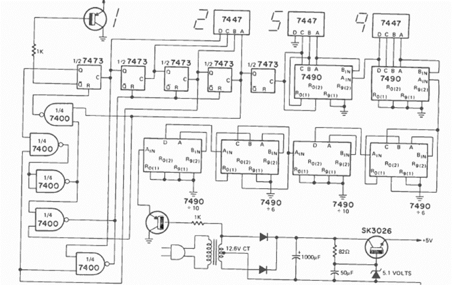
Este es un contador TTL típico de 3 dígitos y medio. Lo encontramos en la revista Radio Electronics de septiembre de 1973. El circuito debe alimentarse con 5 V. Se puede ampliar a más dígitos.
Este circuito amplifica senales de AM y FM, mejorando la recepción de las radios poco sensibles....
Encontramos este circuito en el Manual de aplicaciones lineales de National Semiconductor. Utiliza el...
Si bien es una configuración común todavía hoy, este circuito se ha retirado de una publicación antigua....