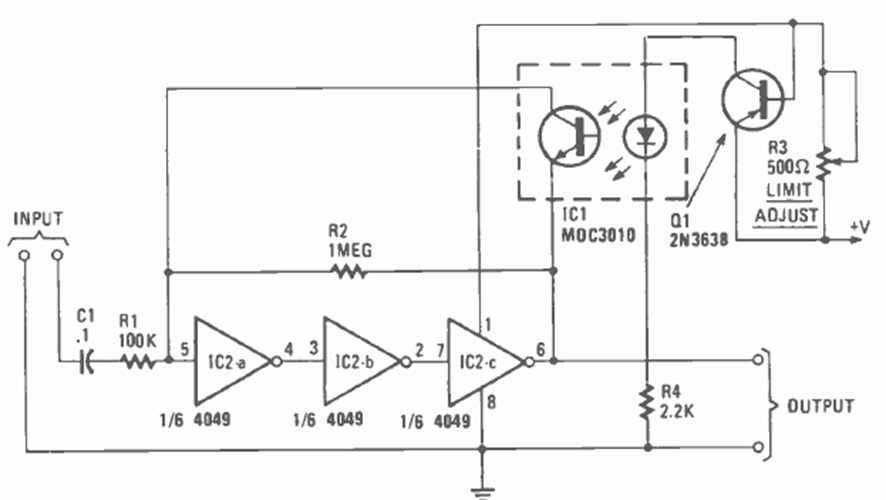
Este circuito es una continuación del anterior, sirviendo como protector contra sobrecargas en amplificadores. El circuito apareció en un artículo de la revista Radio Electronics en enero de 1985.
Un tipo de fuente de alimentación bastante simple y útil es la que no hace uso del transformador....
En esta serie de Mini-Proyectos damos montajes simples que pueden ser realizados por principiantes...
Esta alarma crea una “barrera luminosa” que ai ser interrumpida provoca el disparo de una sirena,...