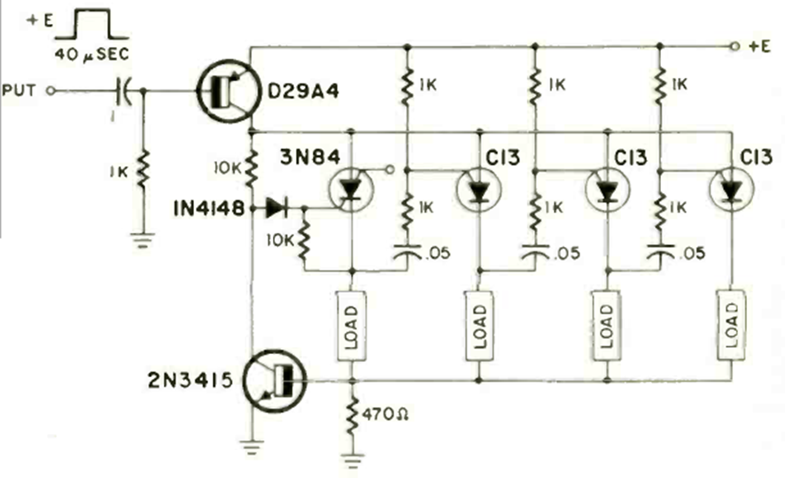
Este circuito cuenta digitalmente los pulsos de entrada. El circuito de radioelectrónica de noviembre de 1970 utiliza transistores unijuntura programables. Tenga en cuenta la duración de los pulsos contados.
Esta radio comercial para la banda AM se vendió en Japón en la década de 1960. El circuito tiene...
Este circuito de una documentación para radioaficionados de 1975, fue desarrollado para reconocer un tono...
Este potente amplificador con salida en simetría complementaria es de una antigua documentación de los...