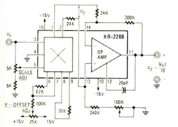
Este circuito con el XR2206 eleva al cuadrado el valor de un voltaje. El circuito fue publicado en la revista Radio Electronics en abril de 1978 y debe ser alimentado por una fuente simétrica de 15 V.
Es un simple proyecto electrónico que puede convertirse en regalo o brindis que seguramente le...
Este circuito se puede ajustar para disparar y producir un sonido cuando la luz en el LDR se corta...
Esta configuración, que aparece en otros puntos de este sitio, fue encontrada en una documentación de...